Безплатна доставка над
120 лв. / 61.36

Автомобили по производител

Каталог авточасти

Търсене по номер на авточаст или шаси/ВИН

Филтър

Производители

  • ATE
  • BOSCH
  • BREMBO
  • COMLINE
  • DENCKERMANN
  • FEBI BILSTEIN
  • FERODO
  • FTE
  • HELLA
  • JP GROUP
  • JURID
  • LPR
  • METZGER
  • MEYLE
  • MINTEX
  • NK
  • PAGID
  • SWAG
  • TEXTAR
  • TRUCKTEC AUTOMOTIVE
  • TRW
  • ZIMMERMANN

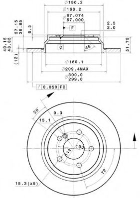
Авточасти спирачен диск MERCEDES-BENZ S-CLASS (W221) S 550 (221.073, 221.173) - M 278.932 (320 kW-435 к.с.) - бензин

Спирачен диск

Арт. N 8DD 355 123-012
Производител HELLA

Спирачен диск

Арт. N 015 521 2112/PD
Производител MEYLE